Home MG Repair

The Complete Official
MG Midget 1500:
1975, 1976, 1977, 1978, 1979

Comprising the official Driver's Handbook and Workshop Manual

by British Leyland Motors

Hardcover, 8 1/2 in. x 11 in.
384 pages
ISBN-13: 978-0-8376-1744-2
Price: $105.00

MG Midget 1500 Repair Manual: 1975-1979

Originally published in 1980, The Complete Official MG Midget 1500: 1975-1979 repair manual was prepared in close cooperation with British Leyland Motors in order to provide complete and authentic maintenance and repair information.

The Driver's Handbooks, which comprise the first three parts of this manual, are the handbooks that were provided with every new MG Midget 1500. The Workshop Manual, which comprises the fourth-and largest-portion of this manual, is the official factory manual.

The Complete Official MG Midget 1500: 1975-1979 contains emission control information that applies specifically to MG Midget 1500s manufactured for the US market as well an illustrated catalog of service tools.

Includes:

  • Official MG 1500 Driver's Handbook: 1975-1976 (USA Edition)
  • Official MG 1500 Driver's Handbook: 1977-1978 (USA Edition)
  • Official MG 1500 Driver's Handbook: 1979 (USA Edition)
  • Official MG 1500 Workshop Manual

Including accurate and comprehensive service information for 1975-1979 MG Midget 1500s, The Complete Official MG Midget 1500: 1975-1979 is an indispensable resource for both the professional mechanic and the MG Midget 1500 enthusiast. The publisher has incorporated additional factory procedures and specifications that became available following the publication of the original factory information.

Technical coverage note:

This manual includes detailed technical coverage for engine type PE 94J.

click to enlarge, and for longer caption if available
Emission Control:1975-1976 - Page 224
The Emission Control Components.
click to enlarge, and for longer caption if available
Rear Axle - Page 277
Rear Axle Assembly - 1977 and later U.S.A.
click to enlarge, and for longer caption if available
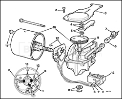
Windscreen Wipers and Washers - Page 322
Windscreen Wiper Motor.
MG Midget 1500 Manual: 1975-1979
MG Midget 1500 Manual: 1975-1979
Wholesale Case Quantity: 5
BSIN: X131
ISBN: 0-8376-1744-8 (ISBN-10)
ISBN: 978-0-8376-1744-2 (ISBN-13)
Permalink: http://www.bentleypublishers.com/c/X131
Associated Vehicles

This product is related to the following vehicles: